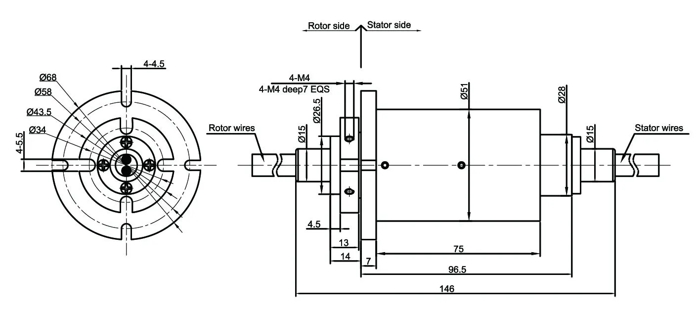
NSO200B Double-channel fiber optic slip ring
NSO200B fiber optic slip ring supports 2 channels fiber optic(SM/MM). It can perfectly transmit data on 360 degree rotating, it is also specially suitable for occasion where it needs to transmit large volume data/signal from fixed position to rotating position under unlimited, continuous of discontinuous rotating, which can improve mechanical property, simplify system operation and avoid rotating of turning joints destroying the fiber optic.
Features


Part# Explanation

Table 1
| Fiber type code | Fiber connector code | Wavelength code |
|---|---|---|
01:9/125um,single-mode 02:50/125um,multi-mode 03:62.5/125um,multi-mode | FC:FC connector ST:ST connector SC:SC connector LC:LC connector The connector face is PC by default, if APC is needed, APC should be added behind, such as FC/APC | 01:1550 (single-mode) 02:850 (multi-mode) |
Specifications
| Single-mode(SM) | Multi-mode(MM) | |
|---|---|---|
| Wave-width(nm) | ±50 | |
| Max. insertion loss,23℃(dB) | 4 | 3.5 |
| Insertion loss ripple(dB) | 2 | 1 |
| Return loss(dB) | ≥55( APC) | ≥40(PC) |
| Max. power (W) | 0.5 | |
| Weight (g) | 50 | |
| Max. rotating speed (rpm) | 400 | |
| Lifetime | >200 million revs | |
| Working temperature(℃) | -45~85 | |
| Storage temperature(℃) | -50~85 | |
Let's Establish Cooperation !
Let's start
if you want upload file,
please click to validate first